Toute l'année : des prix imbattables et les meilleurs équipementiers sur MonPL.fr
- Identifiez votre véhicule pour vérifier
- sa compatibilité
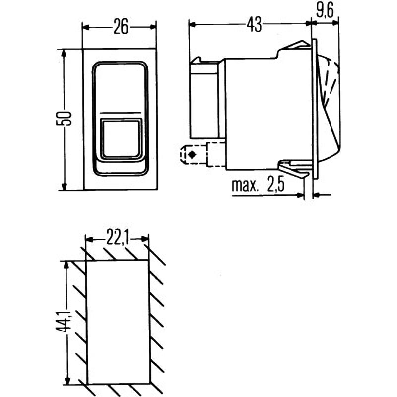
Interrupteur HELLA - 6RH 004 570-411
Interrupteur
15,27 €HT
18,32 € TTC
Expédié le 13 avril
60 jours pour changer d'avis
Paiement en 2x, 3x ou 4x
Pièces neuves et garanties
A domicile ou en point relais
J'achète serein! Assurance retour gratuits pendant 60 jours sur toute ma commande
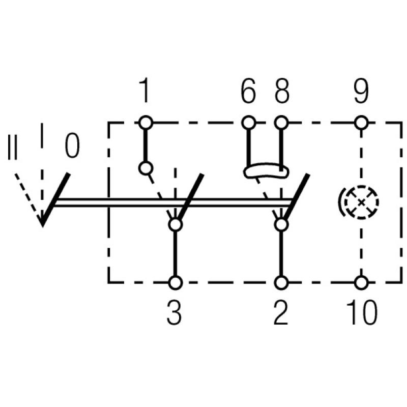
Caractéristiques techniques
Nombre de connexions : 7
Type de commande : commande de basculement
Montage/démontage uniquement par du personnel qualifié !
Plus d'info:
Références constructeur OEM
Références équivalentes
Références constructeur - OEM
AGRIFAC
7774043
BUCHER
EU005099
DAF
086 7523
GOLDHOFER
609433
HOLMER
1023034737
LINDE
7915490531
RENAULT TRUCKS
74 22 617 044
STILL
7915490531
VALMET
30944100
VAN HOOL
10801645
ZIEGLER
404602
Références équivalentes équipementiers
Se monte sur
Documentation à télécharger
Avis client
Vos derniers produits vus
VOS
PRODUITS
VUS
